¥ 11.7

8 (4162) 38-46-16

arm1cn@mail.ru

Выберите склад:

Благовещенск

0

СХЕМЫ И ЧЕРТЕЖИ

КАТАЛОГИ ЗАПЧАСТЕЙ
ПО МОДЕЛЯМ

Произвольная заявка

8 (4162) 38-46-16

arm1cn@mail.ru

ПОИСК ЗАПЧАСТЕЙ
Развернуть
Все категории

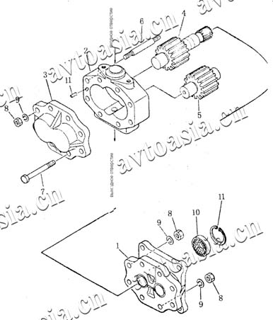
Насос рулевого управления


Фото
№ на схеме
Код
Номер каталога
Наименование
Менеджер
Цена
Количество
В корзину
100
17508
0743672202
Насос рулевого управления

№ на схеме: 100      Кат. номер: 0743672202      Артикул: 17508      Цена: 13150 ₽      Менеджер: Панфилов Павел Геннадьевич 8-914-538-46-16

Панфилов Павел Геннадьевич
8-914-538-46-16
13150 ₽
- +

НАШ СКЛАД

Посмотреть на карте Благовещенска

Сообщение