¥ 11.7

8 (4162) 38-46-16

arm1cn@mail.ru

Выберите склад:

Благовещенск

0

СХЕМЫ И ЧЕРТЕЖИ

КАТАЛОГИ ЗАПЧАСТЕЙ
ПО МОДЕЛЯМ

Произвольная заявка

8 (4162) 38-46-16

arm1cn@mail.ru

ПОИСК ЗАПЧАСТЕЙ
Развернуть
Все категории

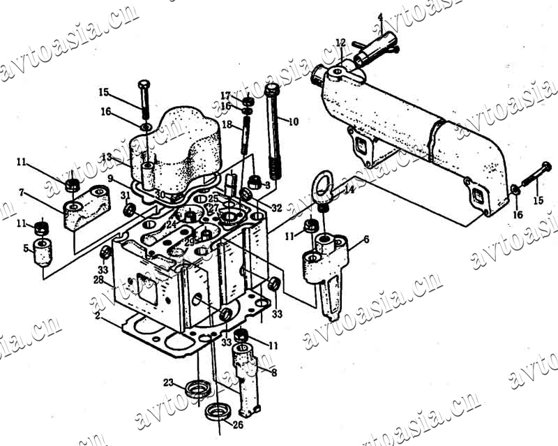
Головка цилиндра Евро2


Фото
№ на схеме
Код
Номер каталога
Наименование
Менеджер
Цена
Количество
В корзину

По вашему запросу ничего не найдено

НАШ СКЛАД

Посмотреть на карте Благовещенска

Сообщение