¥ 11.7

8 (4162) 38-46-16

arm1cn@mail.ru

Выберите склад:

Благовещенск

0

Каталог запчастей

КАТАЛОГИ ЗАПЧАСТЕЙ
ПО МОДЕЛЯМ

Произвольная заявка

8 (4162) 38-46-16

arm1cn@mail.ru

ПОИСК ЗАПЧАСТЕЙ
Развернуть
Все категории
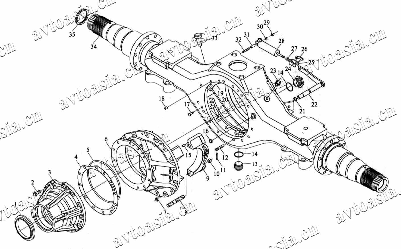
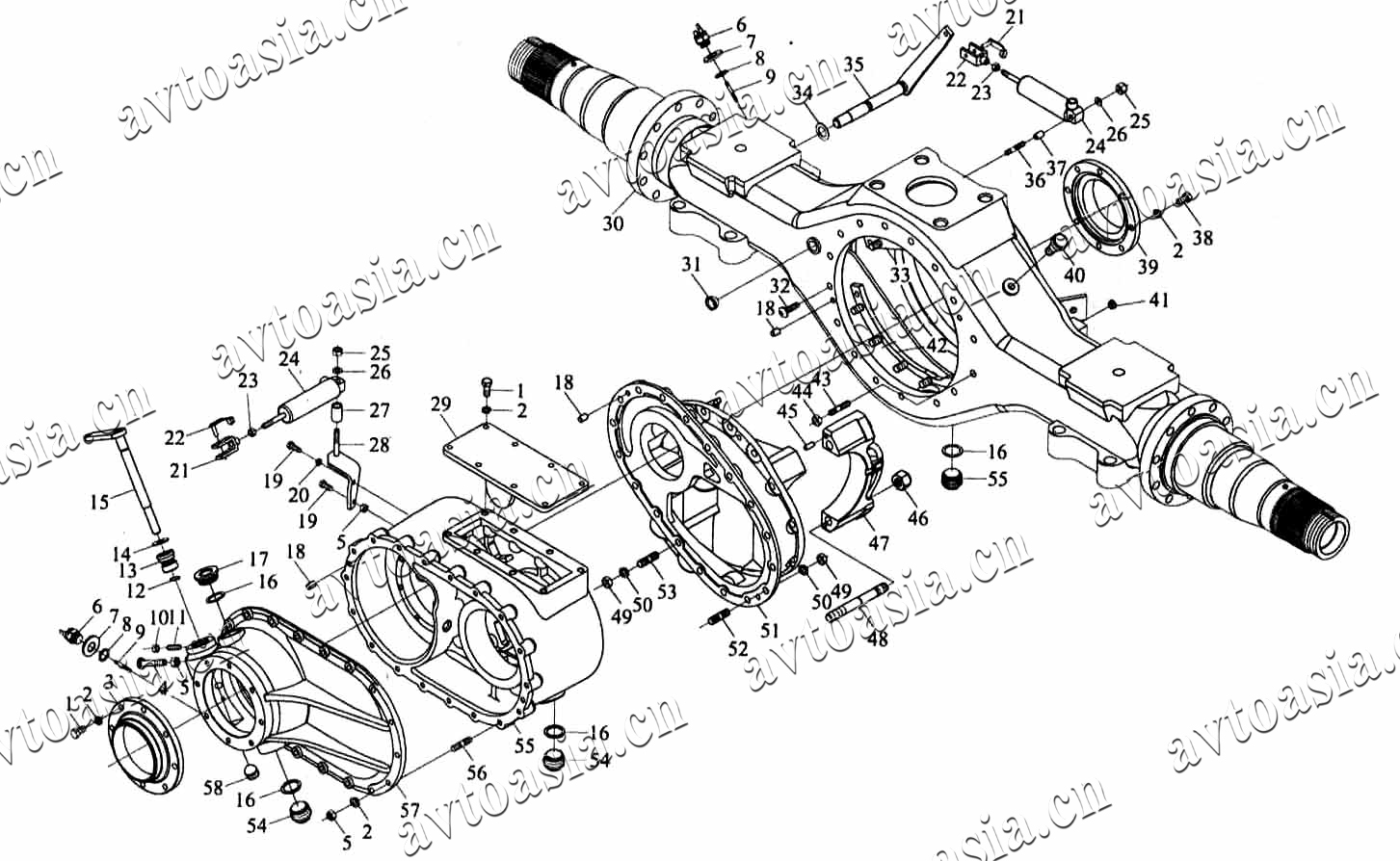
Сцепление лепестковое Механизм управления сцеплением Кожух сцепления и муфта сцепления Главный цилиндр упр сцеплением Сцепление на лапках Корпус среднего моста HD 13т (Styer) Редуктор среднего моста HD 13т (Styer) Шестерня редуктора среднего моста HD 13т (Styer) Дифференциал среднего моста HD 13т (Styer) Корпус заднего моста HD 13т (Styer) Дифференциал заднего моста HD 13т (Styer) Ступица колеса моста HD 13т (Styer) Бортовой редуктор моста HD 13т (Styer) Тормоз моста HD 13т (Styer) Карданные валы Механизм переключения передачи Передний вал Пневмопривод механизма переключения Промежуточный вал вспомогательной коробки Промежуточный вал Задняя крышка КПП Шестерня привода делителя Тормоз заднего вала Вал делителя Вал передачи заднего хода Воздушный распределительный клапан КПП Вторичный вал Подвеска КПП 6х4 Подвеска КПП 8х4 Рычаг и привод управления механизмом переключения Корпус КПП 12JS160T Кожух сцепления 12JS160T Крышка заднего подшипника 12JS160T Механизм делителя КПП 12JS160T Механизм переключения передачи 12JS160T Опора подшипника вторичного вала 12JS160T Вторичный вал 12JS160T Пневмопривод механизма переключения 12JS160T Промежуточный удлиненный вал 12JS160T Промежуточный вал 12JS160T Шестерня задней передачи промежуточная 12JS160T Сухарь направляющий задней передачи 12JS160T Тормоз среднего вала 12JS160T Воздушный распределительный клапан КПП 12JS160T Пневмоцилиндр переключения передач Первичный вал 12JS160T Корпус заднего моста HD16т (MAN) Дифференциал заднего моста HD16т (MAN) Корпус КПП 12JS180T

НАШ СКЛАД

Посмотреть на карте Благовещенска

Сообщение