¥ 11.7

8 (4162) 38-46-16

arm1cn@mail.ru

Выберите склад:

Благовещенск

0

Каталог запчастей

КАТАЛОГИ ЗАПЧАСТЕЙ
ПО МОДЕЛЯМ

Произвольная заявка

8 (4162) 38-46-16

arm1cn@mail.ru

ПОИСК ЗАПЧАСТЕЙ
Развернуть
Все категории
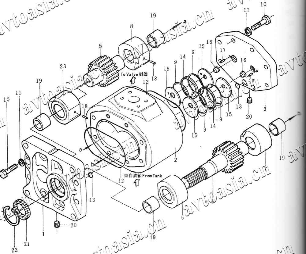
Рыхлитель Приямой отвал SD32 Цилиндр подъема рыхлителя Цилиндр опускания рыхлителя Цилиндр подъема/опускания отвала Цилиндр изменения угла отвала Держатель рычага управления Гидравлический насос Гидробак 1 Гидробак 2 Клапан управления наклона цилиндра Клапаны типа DC и PC в сборе Механизм управления отвалам и рыхлителем Механизм управления отвалом Подъем отвала и клапан рыхлителя 1 Подъем отвала и клапан рыхлителя 2 Рычаг управления отвалом Рычаг управления рыхлителем 2 Рычаг управления рыхлителем Сервоклапан Система гидравлического трубопровода от бака к цилиндру 2 Система гидравлического трубопровода от бака к цилиндру Система гидравлического трубопровода от бака к насосу Система трубопровода сервоклапана Трубопровод цилиндров рыхлителя Толкатель прямого отвала Однозубый рыхлитель Трубопровод цилиндра изменения угла отвала.

НАШ СКЛАД

Посмотреть на карте Благовещенска

Сообщение